

行业应用
工程机械
:Unlocking the Secrets of Non-standard Bearings: The Comprehensive Guide in English工业技术的发展,非标准轴承在机械领...
长春精密轴承:技术领先,品质保障,选购指南!长春精密轴承,在轴承行业中享有盛誉,凭借其卓越的技术实力和严格的品质保障,赢得了广大客户的信赖和支持
标题:探索新疆轴承大王:行业巨头的故事与发展在现代工业中,轴承是不可或缺的重要零部件,它承担着使机械设备正常运转的重要功能
在搜索引擎优化领域,关键词密度和原创性都是至关重要的因素
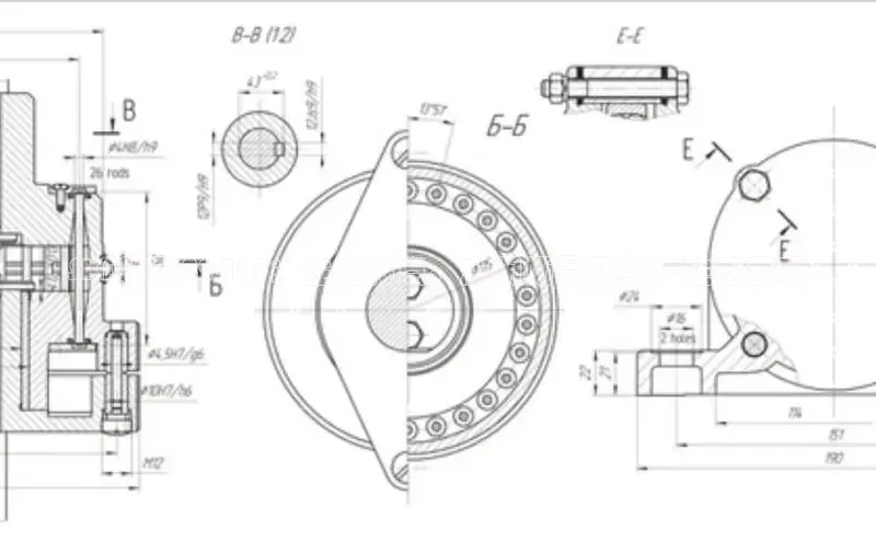
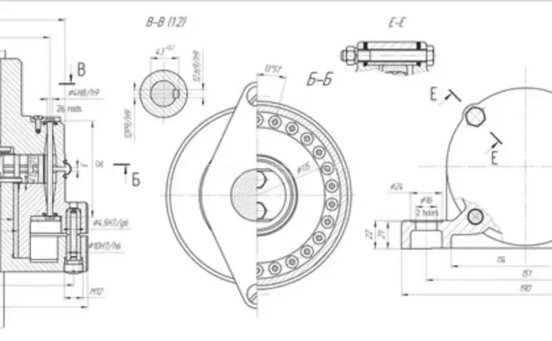
标题:深入了解轴承组成结构:解析轴承的构造及功能原理在机械设备中,轴承作为一种重要的零部件,承担着支撑和转动的功能,其质量和性能直接影响着整个设备的运行效率和寿命
【标题】:深度解析慈溪cgxy轴承:技术特点、应用领域及市场前景揭秘【导语】:本文将深度解析慈溪cgxy轴承的技术特点、应用领域以及市场前景,带您了解这一领域的最新发展动态
EZO,作为一家享有盛誉的微型轴承品牌,其独特的品牌故事、卓越的产品特性以及广泛的应用领域备受瞩目
宜昌电梯轴承是电梯运行中不可或缺的重要部件,其质量和性能直接影响着电梯的安全性和稳定性
:SKF轴承29415:性能特点、应用场景及维护注意事项在工业领域中,SKF轴承29415是一款性能卓越的产品,具有广泛的应用场景和重要的作用
轴承是许多机械设备中至关重要的组成部分,其缺陷系数直接影响着设备的性能和寿命